Hidrolik ve Pnömatik Sistemler İçin Yeni Sızdırmazlık Tapaları
Standart makine elemanları ve bağlama teknolojileri alanında faaliyet gösteren norelem Normelemente GmbH, hidrolik ve pnömatik sistemlerde oluşan yardımcı deliklerin güvenli şekilde kapatılması için yeni nesil çelik ve paslanmaz çelik sızdırmazlık tapalarını (Dichtstopfen) ürün portföyüne ekledi. Yeni ürünler, özellikle akışkan gücü sistemlerinde yüksek basınç altında güvenilir sızdırmazlık sağlamak üzere tasarlandı.
Hidrolik ve pnömatik güç ünitelerinin üretim sürecinde, akış kanallarının açılabilmesi için iÅŸ parçasında çeÅŸitli yardımcı delikler oluÅŸturulması gerekir. Ancak bu deliklerin sistem devreye alınmadan önce tam sızdırmaz ÅŸekilde kapatılması büyük önem taşır. Aksi durumda basınç kayıpları ve sistem performansında düşüş meydana gelebilir. norelem Normelemente GmbH tarafından geliÅŸtirilen yeni sızdırmazlık tapaları bu tür uygulamalar için güvenilir bir çözüm sunuyor.Â
Yüksek Basınca Dayanıklı Metal Sızdırmazlık
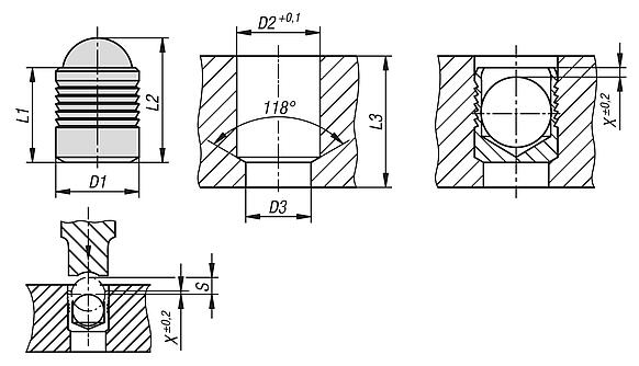
Yeni Dichtstopfen tasarımında basınç geniÅŸleme prensibi kullanılıyor. Tapada bulunan bilye, montaj sırasında tapaya preslenerek dış kovanın geniÅŸlemesini saÄŸlıyor. Bu geniÅŸleme sayesinde tapa delik duvarına sıkıca oturuyor ve metal-metal temaslı bir sızdırmazlık oluÅŸuyor.Â
Bu mekanik yapı sayesinde:
• yüksek basınç altında güvenilir sızdırmazlık
• hızlı ve pratik montaj
• uzun süreli dayanıklılık
• ek conta veya sızdırmazlık elemanı gerektirmeyen tasarım
gibi önemli avantajlar sağlanıyor.
Çelik ve Paslanmaz Çelik Malzeme Seçenekleri
Norelem tarafından sunulan yeni sızdırmazlık tapaları farklı çalışma koşullarına uygun olarak iki ana malzeme seçeneği ile üretiliyor:
• Çelik gövde: standart endüstriyel hidrolik sistemler için
• Paslanmaz çelik gövde: korozyon riski bulunan uygulamalar için
Paslanmaz çelik versiyonlarda gövde genellikle 1.4305 kalite paslanmaz çelik, geniÅŸleme elemanı ise sertleÅŸtirilmiÅŸ rulman çeliÄŸinden üretiliyor.Â
Hidrolik ve Pnömatik Sistemlerde Geniş Kullanım Alanı
Yeni sızdırmazlık tapaları özellikle aşağıdaki uygulamalarda kullanılabiliyor:
• hidrolik güç üniteleri
• pnömatik sistem blokları
• hidrolik manifold blokları
• makine ve tesis hidrolik devreleri
• üretim sırasında açılan yardımcı kanal delikleri
Bu tür bileÅŸenler, hidrolik veya pnömatik sistemlerin kapalı devre yapısını koruyarak basınç kayıplarını önlemeye yardımcı oluyor.Â
Modern Akışkan Gücü Sistemleri İçin Güvenilir Çözüm
Akışkan gücü teknolojilerinde sistem güvenilirliği büyük ölçüde sızdırmazlık performansına bağlıdır. norelem’in yeni çelik ve paslanmaz çelik sızdırmazlık tapaları, özellikle yüksek basınçlı hidrolik uygulamalarda güvenilir ve ekonomik bir çözüm sunarak makine ve tesis üreticilerinin ihtiyaçlarını karşılamayı hedefliyor.
Detaylı bilgi için:  www.norelem.deÂ
Â




